Пн-Пт с 08:30 - 17:00

Тепличные комплексы

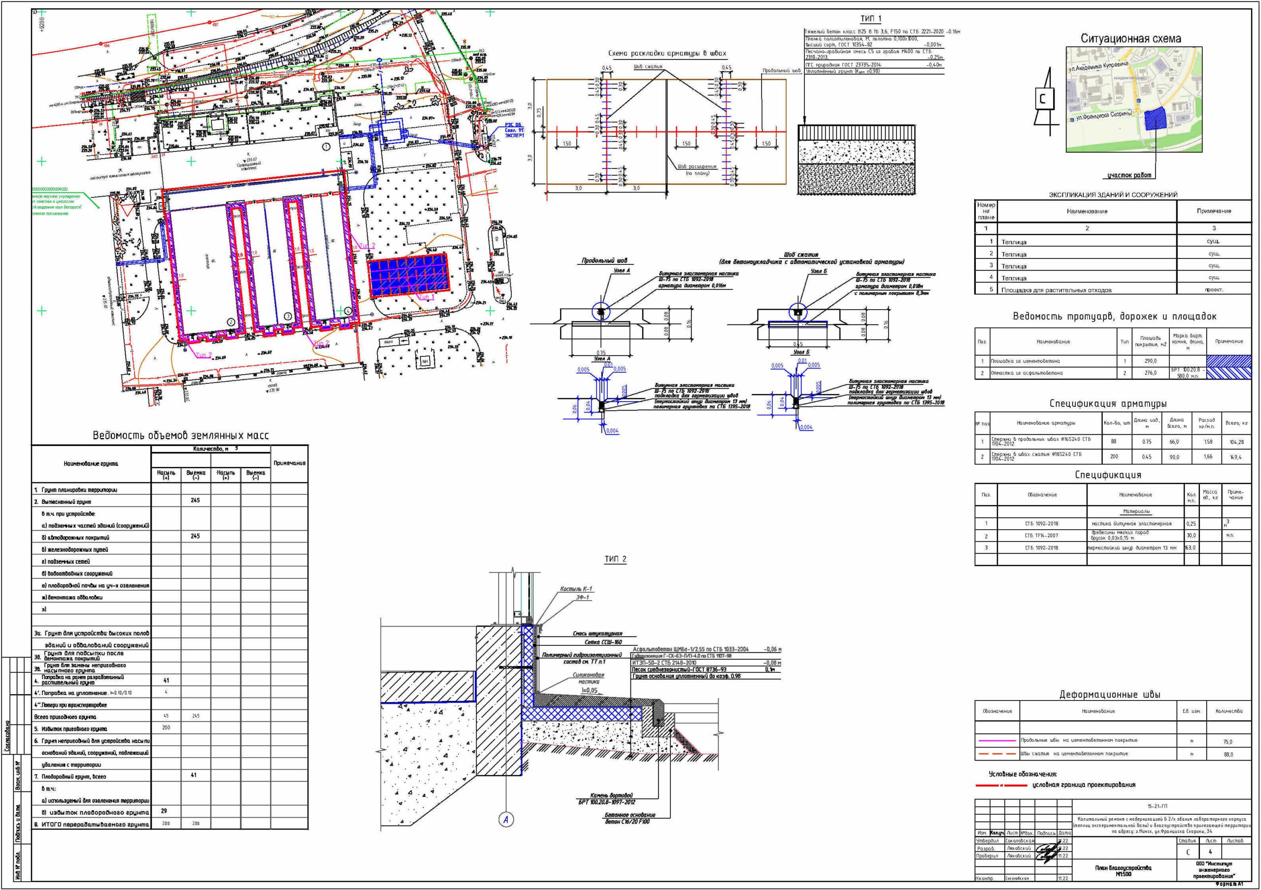
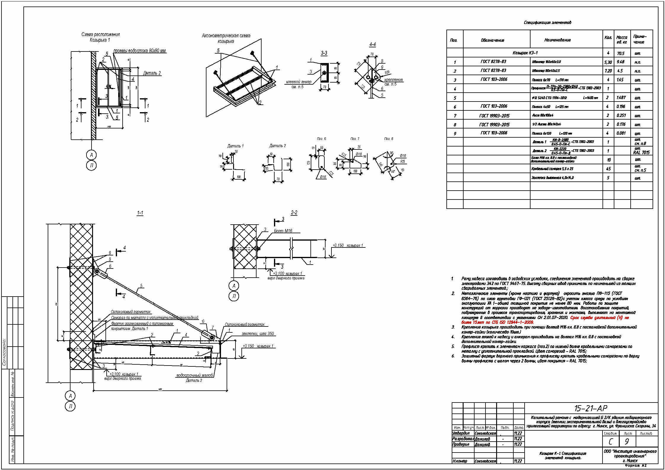
Мы хотим представить вам Тепличные комплексы, которые были созданы нашими специалистами. В процессе работы над каждым проектом мы тщательно анализируем и учитываем все требования и пожелания заказчика.
IIP.BY

ВЗГЛЯНИТЕ НА Тепличные комплексы

Капитальный ремонт с модернизацией Б 2/К здания лабораторного корпуса (теплиц экспериментальной базы) и благоустройство прилегающей территории.
IIP.BY

СВЯЖИТЕСЬ С НАМИ

Свяжитесь с нами для получения консультации или запроса коммерческого предложения! Мы готовы помочь вам реализовать ваши проекты безопасно и эффективно!
*Мы не передаем Ваши данные третьим лицам
Прокрутить вверх
КОНСУЛЬТАЦИЯ СПЕЦИАЛИСТА

Заполните формы, мы перезвоним Вам в течение 20-ти минут.

*Мы не передаем Ваши данные третьим лицам